|
产品介绍

瑞士simalube
小保姆自動注油器
|
|
瑞士simatec ag工厂介绍
瑞士simatec ag公司于1983年成立,总部设在瑞士阿勒河河畔万根,瑞士的中部,专业研发和生产全球领先的自动润滑装置、轴承加热器、安装,、拆卸等维护工具。
用户的利益是我们的首要任务, 通过使用该最新研发的产品,使复杂的操作都可以得到简化。目前世界各地有成千上万台机器的维修工作得以大量减化。因此,削减成本和增加安全运行性。
 |
| |
 |
 |
 |
| 产品概述: |
|
 |
革命性忙改变了“润滑文化”。
设定1~12个月内全自动,均匀,准时,准确地注入设备每天所需的润滑剂。
主动受控式全优润滑管理,大量节省设备维护维修成本,可避免溢出污染环境或断油之烦恼。
干电池操作,不受外界因素影响。
可重复使用,环保,价格低廉。
机械动力工作,不会出现故障,防爆安全。
按需要随时可停可续。
高可靠性的透明容器,可随时检查剩余容量。
|
| 安装提示及辅件代号: |
 |
| 技术信息: |
| 瑞士simalube小保姆全自动注油器标准容量为30ml,60ml,125ml,250ml和5x8ml多点式等规格及配多种原装进口油品,供君选用: |
| 类型 |
瑞士simalube小保姆全自动注油器 |
| 动力来源工作压力 |
氢气气体产生器(干电池)0.3-5bar |
| 规格容量 |
30ml, 60ml, 125ml, 250ml, 5 x 8ml多点式 |
| 使用周期 |
1~12个月 |
| 在常温下注油量 |
0.8~8.4ml/天 |
| 使用温度范围 |
-20℃~+55℃环境温度 注意:油脂的密度随温度而改变 |
| 操作/使用 |
“小保姆”注油器可以安装在任何需要润滑的位置,如倒置、横置甚至在水中水底都可以安装。
(注意:不要太靠近在+55℃热源处) |
| 储存温度 |
建议储存在20℃常温 |
| 规格 |
30ml |
60ml |
125ml |
250ml |
5 x 8ml多点式 |
| 装满油品重量 |
~82g |
~115g |
~190g |
~335g |
|
| 无油品重量 |
~55g |
~60g |
~75g |
111g |
|
|
选型例表:
| 型号 |
应用 |
温度范围 |
主要成分 |
增调剂 |
油粘度 |
| SL00 |
空瓶(需自行添加润滑剂) |
润滑剂的稠度必须≦NLGI-2 |
| SL01 |
多用途油脂 |
-30+120℃
|
矿物油 |
锂/钙 |
118mm2/S |
| SL02 |
多用途油脂+二硫化钼 |
-25/+130℃ |
矿物油 |
锂 |
270mm2/S |
| SL04 |
耐高温润滑油脂 |
-20/-60℃ |
矿物油 |
铍 |
555mm2/S |
| SL06 |
液态润滑油 |
-40/-110℃ |
矿物油 |
锂/钙 |
98mm2/S |
| SL09 |
易分解油脂 |
-20/+80/+100℃ |
酯 |
锂/钙 |
100mm2/S |
| SL10 |
食品工业油脂 |
-30/+140℃ |
人工合成油 |
铝 |
118mm2/S |
| SL14 |
链条润滑油 |
-10/+90℃ |
矿物油 |
- |
68mm2/S |
| SL15 |
耐高温链条润滑油 |
0/+250℃ |
人工合成油 |
- |
265mm2/S |
| SL18 |
食用油 |
+15/+150℃ |
人工合成油 |
- |
220mm2/S |
| SL24 |
多用途,适合广泛温度油脂 |
-30/+120℃ |
矿物油 |
锂 |
200mm2/S |
| SL25 |
高效能油脂 |
-20/+180℃ |
- |
- |
- |

| 选配附件: |
全套各式各样设计周全的辅件,使“小保姆”的安装更加随心所欲 |
 |
 |
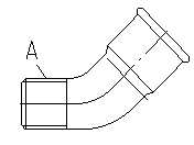
弯接头45° |
A
|
R1/4 |
| 货号NO. |
1001 |
 |
弯接头90° |
A
|
R1/4 |
| 货号NO. |
1002 |
 |
接头 |
A
|
R3/8 |
R1/2 |
| 货号NO. |
1010 |
1011 |
 |
转换接头 |
A
|
R1/8 |
R1/4 |
M6 |
M8 |
M8×1 |
M10 |
M10×1 |
M12 |
M12×
1.5 |
| 货号NO. |
1020 |
1021 |
1022 |
1023 |
1024 |
1025 |
1026 |
1027 |
1028 |
 |
加长转换接头 |
A
|
35 |
50 |
| 货号NO. |
1040 |
1041 |
 |
三叉Y型接头 |
A
|
R1/4 |
| 货号NO. |
1050 |
 |
¢8mm喉管/内牙接头 |
A
|
R1/4 |
| 货号NO. |
1060 |
 |
¢8mm喉管/外牙接头 |
A
|
R1/8 |
R1/4 |
R3/8 |
| 货号NO. |
1070 |
1071 |
1072 |
 |
¢8/6mm喉管 |
A
|
以每米计算 |
| 货号NO. |
2000 |
 |
塑料固定支架 |
A
|
¢50mm |
| 货号NO. |
2010 |
 |
层压塑料固定用配件 |
A
|
¢50mm |
| 货号NO. |
2012 |
 |
圆刷固定支架 |
A
|
¢28mm |
| 货号NO. |
2013 |
 |
圆刷固定间隔 |
A
|
15mm |
| 货号NO. |
2014 |
 |
盘式固定法兰,带接头 |
A
|
R1/4 |
| 货号NO. |
2080 |
 |
保护罩 |
| 货号NO. |
2081 |
 |
1-5瓶固定支架 |
| |
1-fold length 75mm |
3-fold length 240mm |
3-fold length 390mm |
| 货号NO. |
2082 |
2083 |
2084 |
 |
接头式单向阀 |
A
|
R1/8 |
R1/4 |
| 货号NO. |
2020 |
2021 |
 |
瓶塞式单向阀 |
| 货号NO. |
5060 |
 |
圆刷 |
A
|
¢25×45mm |
| 货号NO. |
2034 |
 |
扁刷 |
| A |
40mm |
70mm |
100mm |
25mm |
| 货号NO. |
2035 |
2036 |
2037 |
2038 |
 |
电梯毛刷 |
| 货号NO. |
2039 |
 |
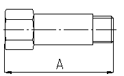
注油枪DIN1283 |
| 货号NO. |
3010 |
 |
连接注油枪用接头 |
A
|
R1/4 |
| 货号NO. |
3011 |
 |
连接注油枪用接头 |
A
|
R1/4 |
| 货号NO. |
3012 |
 |
连接注油枪用接头 |
A
|
R1/4 |
R3/8 |
| 货号NO. |
3013 |
3014 |
 |
四瓶出一接头 |
A
|
R1/2 |
R1/4 |
| 货号NO. |
4100 |
4101 |
 |
气体产生器 |
| A |
30ml |
60ml |
125ml |
250ml |
5×8ml |
| 货号NO. |
|
5006 |
5008 |
5010 |
|
 |
油脂添加瓶DIN 1284,400ml |
| 油脂 |
SL01 |
SL02 |
SL04 |
SL06 |
SL09 |
SL10 |
| 货号NO. |
KA01 |
KA02 |
KA04 |
KA06 |
KA09 |
KA10 |
欢迎下载simalube电子样本资料(PDF3.70MB)
应用实例:
现有国际著名企业及设施使用小保姆:
|
|
|
|
|
|
|
|
码头吊机轴承润滑 |
重型自卸车部件润滑 |
升降电梯导轨润滑 |
扶手电梯链条润滑 |
|
|
|
|
|
|
污水处理设备-阀门润滑 |
污水处理设备-闸门润滑 |
大型水果挤压机部件润滑 |
|
|
|
|
|
|
汽车生产线焊接导轨润滑 |
印刷设备-折页机齿轮润滑 |
电机轴承润 |
|
|
|
|
|
|
 |
|
钢铁生产线轴承润滑 |
矿山输送线轴承润滑 |
输送线轴承润滑 |
大型加工中心导轨润滑 |
|
|
|
|
|
|
|
 |
机械手导轨润滑 |
化工设备部件润滑 |
重型机械齿轮润滑 |
大型风机轴承润滑 |
专为机械手、加工中心轨道而设计的5×8ml多点式注油器:
|
|