产品资料相关证书最新活动联络我们
  专业代理世界优质品牌

专业制造及出口优质传动件
 



产品介绍

STI 尼龙弹性联轴器 : S-系列 & B-系列



尼龙弹性联轴器 油泵专用 认准真货 慎防伪劣  五年质保承诺

产品特点:

产品结构: 由两个粉未冶金或C45钢件制造成弧型齿轮加一个尼龙胶圈组合而成,使其联接部位达到“软接”的效果。
适配电机功率: 150HP / 110KW以内。
适配轴径: 5mm ~ 65mm。
温度范围: -20 ~ +120℃。
产品特点: ● 最大传递扭距达820Nm;(所有规格附有钮力测试证书)
● 可抑制噪音1~2分贝;
● 无油污、易安装、方便维修以及特低维修成本;
● 有效隔绝热源及电源(防静电)
● 具有较高的缓冲减震性能,并且可以补偿轴向、径向、角向的误差;
● 超载保护,有效保护电机和油泵。

可允许:轴向位移±4mm
可允许:径向位移±0.4mm
可允许:角向位移±1°


直齿与尼龙胶圈的配合
双弧齿与尼龙胶圈的配合
直齿联轴器在发生角向、径向安装偏差时,齿部接触表面容易产生应力集中现象,加快胶圈磨损。 双弧齿联轴器在发生角向、径向安装偏差时,同样提供较大的齿接触面积因此可以避免应力集中现象,使用寿命更长。


S-系列 双弧型齿的优点:
● 尽管轴向偏心,齿部也可提供大面积的接触,使接触压力降至最低;

● 尽管角向偏心,也使负载分布在齿的中心部位,依然提供最大传递扭力;

● 具备自检功能,只要安装后能使胶圈自由活动,即可验知轴与轴的联接,
   不存在功率耗损和不必要的摩擦,

● 由于非紧扣的联接,可避免传热和将来偏心的隐患;

● 无需润滑剂、密封或锁扣件,方便维护。

S系列技术选型


S-系列
齿型: 双弧型齿
铁芯材料: 粉末冶金



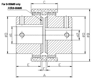
S-系列规格尺寸
單位: mm
Type
型号
TTL
Length
总长
A
Sleeve
胶圈
Hub
铁芯
Shaft
Gap
间距
F
Bore
孔径
Max
Rpm
最高
转速
Torque Nm
扭矩
Weight
重量
Dia.
直径
¢B
Length
长度
C
Dia.
直径
¢D
Length
长度
E
Min
最小
d1
Max
最大
d2
Rating
额定
Max
最大
Hub
铁芯
KG
Sleeve
胶圈
KG
S-14
45
40
37
25
20
5
5
14
13000
12
22
0.08
0.025
S-19
47
48
37
32
21
5
10
19
11000
18
30
0.01
0.035
S-24
50
52
40
36
21
8
10
24
10000
24
36
0.15
0.035
S-28
78
66
46
44
35
8
6
28
8000
48
85
0.38
0.07
S-32
78
76
48
50
35
8
12
32
7300
65
220
0.50
0.09
S-38
78
83
48
58
35
8
12
38
6500
95
300
0.65
0.105
S-42
84
92
50
68
38
8
12
42
6200
115
360
0.93
0.13
S-48
96
98
50
68
45
6
12
48
5500
160
600
1.11
0.16
S-48H
96
98
50
78
45
6
48
48
5500
160
720
1.21
0.16
S-55
120
125
65
83
59
10
25
55
4600
300
800
1.86
0.36
S-55H
120
125
65
99
59
10
60
60
4600
360
220
1.55
0.36
S-65
144
140
72
96
70
13
30
65
4000
400
300
3.17
0.57


S-系列成型孔规格及尺寸


S-28成型孔
D
Kd
Kw
WT.重量kg
19.05
21.30
4.79
0.30
28.00
31.30
8.00
0.23

S-38成型孔
D
Kd
Kw
WT.重量kg
19.05
21.54
4.79
0.60
22.22
24.80
4.79
0.57
22.23
25.30
6.38
0.57
25.00
28.30
8.00
0.54
25.40
28.45
6.38
0.54
38.00
41.30
10.00
0.40
S-42成型孔
D
Kd
Kw
WT.重量kg
19.05
21.30
4.79
0.86
22.22
24.80
4.79
0.83
22.23
25.30
6.38
0.83
25.00
28.30
8.00
0.81
25.38
28.70
8.00
0.79
25.40
28.45
6.38
0.8
31.75
35.50
8.00
0.75
32.00
35.30
10.00
0.72
42.00
45.30
12.00
0.61

S-48成型孔
D
Kd
Kw
WT.重量kg
22.22
24.80
4.79
1.00
25.40
28.45
6.38
0.94
31.75
35.50
8.00
0.86
32.00
35.30
10.00
0.83
38.00
41.30
10.00
0.76
40.00
43.30
12.00
0.73
42.00
45.30
12.00
0.71
48.00
52.10
14.00
0.59

S-48H成型孔
D
Kd
Kw
WT.重量kg
45.00
48.50
14.00
0.94
48.00
52.10
14.00
0.90
S-55成型孔
D
Kd
Kw
WT.重量kg
31.75
35.50
8.00
1.83
32.00
35.30
10.00
1.81
38.00
41.30
10.00
1.71
38.10
42.50
9.52
1.70
40.00
43.30
12.00
1.68
42.00
45.30
12.00
1.66
44.45
49.30
11.14
1.63
45.00
48.50
14.00
1.60
48.00
52.10
14.00
1.45
55.00
59.30
16.00
1.23
60.00
(H)
64.40
18.00
1.55

S-65成型孔
D
Kd
Kw
WT.重量kg
31.75
35.40
7.94
3.12
38.00
41.30
10.00
2.97
38.10
42.50
9.53
2.96
40.00
43.30
12.00
2.91
44.45
49.30
11.14
2.77
45.00
48.50
14.00
2.75
50.80
57.15
12.70
2.54
60.00
64.40
18.00
2.16
65.00
69.50
18.00
1.94

配用电机参考表
At:50Hz
电机
座号
Motor
Size
3000 rpm
转速
Coupling
Size
联轴器
型号
1000 rpm
转速
Coupling
Size
联轴器
型号
750 rpm
转速
Coupling
Size
联轴器
型号
Shaft Dimension
电机轴尺寸
Kw
Nm
Kw
Nm
Kw
Nm
56
0.09
0.12
0.32
0.41
S-14
0.037
0.045
0.43
0.52
S-14
-
-
S-14
9X20
63
0.18
0.25
0.62
0.86
0.06
0.09
0.72
1.1
-
-
11X23
71
0.37
0.55
1.3
1.9
0.18
0.25
2.0
2.7
0.09
0.12
1.4
1.8
14X30
80
0.75
1.1
2.5
3.7
S-19
0.37
0.55
3.9
5.8
S-19
0.18
0.25
2.5
3.5
S-19
19X40
90S
1.5
5.0
S-24
0.75
8.0
S-24
0.37
5.3
S-24
24X50
90L
2.2
7.4
1.1
12
0.55
7.9
100L
3
9.8
S-28
1.5
15
S-28
0.75
1.1
11
16
S-28
28X60
112L
4
13
2.2
22
1.5
21
132S
5.5
7.5
18
25
S-38
3
30
S-38
2.2
30
S-38
38X80
132M
-
-
4
5.5
40
55
3
40
160M
11
15
36
49
S-42
7.5
75
S-42
4
5.5
54
74
S-42
42X110
160L
18.5
60
11
108
7.5
100
180M
22
71
S-48
-
-
S-48
-
-
S-48
48X110
180L
-
-
15
148
11
145
200L
30
37
97
120
S-55
18.5
22
181
215
S-55
15
198
S-55
55X110
225S
-
-
-
-
S-56
18.5
244
S-56
55X110
60X140
225M
45
145
30
293
22
290
250M
55
177
S-65
37
361
30
390
60X140
65X140
280S
75
245
X
65X140
75X140
280M
90
294
315S
110
350
80X170


B系列技术选型



B-系列
单弧型齿    
铁芯材料: C45钢

产品结构: 由两个C45钢件制造成弧型齿轮加一个尼龙胶圈组合而成,使其联接部位达到“软接”的效果。
适配电机功率: 150HP/110KW以内。
适配轴径: 12mm~65mm。
温度范围: -20~+120℃。
产品特点: ● 最大传递扭距达820Nm;(所有规格附有钮力测试证书)
● 可抑制噪音1~2分贝;
● 无油污、易安装、方便维修以及特低维修成本;
● 有效隔绝热源及电源(防静电)
● 具有较高的缓冲减震性能,并且可以补偿轴向、径向、角向的误差;
● 超载保护,有效保护电机和油泵。

B-系列规格尺寸
單位: mm
Type
型号
TTL
Length
总长
A
Sleeve
胶圈
Hub
铁芯
Shaft
Gap
间距
F
Bore
孔径
Max
Rpm
最高
转速
Torque Nm
扭矩
Weight
重量
Dia.
直径
¢B
Lenngth
长度
C
Dia.
直径
¢D
Length
长度
E
Min
最小
d1
Max
最大
d2
Rating
额定
Max
最大
Hub
铁芯
KG
Sleeve
胶圈
KG
B-38
78
83
48
58
35
8
12
38
6500
95
170
0.65
0.105
B-42
84
92
50
68
38
8
12
42
6200
115
220
0.93
0.13
B-48
96
98
50
68
45
6
12
48
5500
160
300
1.11
0.16
B-55
120
125
65
83
60
10
25
55
4600
300
600
1.86
0.36
B-65
144
140
72
96
70
13
30
65
4000
400
800
3.17
0.57


欢迎下载尼龙弹性联轴器电子样本资料(PDF4.66MB)





Tel: (852)2499 9168
Fax: (852)2417 9183, (852)8343 6887
Copyright © 2009 Silvertech Industrial (HK) Ltd. All rights reserved.