专业代理世界优质品牌
- 瑞士
s
imalube小保姆注油器
- 瑞士
s
imatherm 智能电感应
轴承加热器
- 瑞士
s
imatool专业轴承安装和
拆卸工具
- 德国"Murtfeldt梅富"高耐磨链条
导轨
- 德国"Murtfeldt梅富"智能链条
涨紧器
- 德国"Murtfeldt梅富"各种工程
塑料
- 台湾"Ho Hsing贺欣" 高压环形
鼓风机
- 台湾"Ho Hsing贺欣" 回油式真
空泵
- 东欧STI电马达避震脚
- 台湾YS电马达避震脚
- 美国热动力油冷却器
- 日本"Fuji富士" 高可靠锁母
- 德国"SMG"工程塑料轴承
- 意大利"Poggi坡技" 90
o
转向伞
齿轮箱
- 德国"Ergo Pack雅高"神奇打包机
专业制造及出口优质传动件
- STI
尼龙弹性联轴器
:
S-系列 & B-系列
- STI
弹性膜片联轴器 SV-系列
- STI
链条联轴器 KC-系列
- STI
水泵联轴器 NM-系列
- STI
爪式联轴器 L-系列
- STI
梅花联轴器 R-系列
- STI
同步带轮
- STI
正齿轮
- STI 卡圈
- STI
胀紧联接套
- STI
链轮
- STI 链条
- STI 锥套
- STI 皮带胀紧轮
产品介绍
德国“梅富”牌高耐磨链条导轨
大中华总代理
产品规格
产品特点:
高耐磨、耐温、精密、稳固、无声、环保等高精度的链条导向。
适用范围:
食品机械、印刷设备、装订联动线、医疗机械、涂装设备等多种行业。
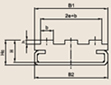
产品规格
效果图
尺寸图
导轨类型
匹配链条
(英标)
匹配链条
(美标)
底宽B
上宽b
高度Hc
T
06B~32B
35~160
15~80
10~30
CT
06B~32B
35~160
20~60
17~60
17~35
Double-T
06B~32B
35~160
25~88
10~30
Double-CT
06B~24B
35~120
20~60
15.7~72
17~35
Triplex-T
06B~24B
35~120
35~120
25.9~120
10~25
Triplex-CT
06B~20B
35~100
28~80
30~91
20~22
TU
083
-
15
10
CTU
083
-
20
17
17
TS
06B~20B
35~100
20~50
10~25
CTS
06B~20B
35~100
20~-38
20~50
17~35
U
06B~32B
35~160
20~70
15~30
CU
06B~32B
35~160
20~60
20~70
17~45
K
06B~32B
35~160
20~70
25~75
CK
06B~32B
35~160
20~60
20~70
21~80
CKG
06B~32B
35~160
30~65
24~55
CKG15V
06B~12B
35~60
53
31
25
CKG14H
06B~12B
35~60
47
25
31
CKG16H
16B~20B
-
62
45
40
CKG17V
16B~20B
-
67
45
40
ETA
06B~16B
35~60
20~38
17~33
30.2~62
备有更详细的尺寸参数,欢迎索取
欢迎下载Murtfeldt电子样本资料(41.54MB)
欢迎下载Murtfeldt产品示范录像(10MB)
应用实例
轮胎设备
输送设备
贴标设备
食品灌装设备
啤酒生产线
医药设备
印刷后设备骑马装订线
食品包装纸盒机
大型胶钉设备
汽车U型纵梁板数控冲孔线装
Tel: (852)2499 9168
Fax: (852)2417 9183, (852)8343 6887
Email:
sales@silvertech.com.hk
Copyright © 2009 Silvertech Industrial (HK) Ltd. All rights reserved.